返回
压力传感器
首页
>
供应信息
>
仪器仪表网
>
传感器
>
压力传感器
JTNJ-1050A双量程动态扭矩传感器,旋转扭矩传感器,扭
2021-06-30 00:45
908
信息概况
价格:
¥3120.00
/件
起订:
1件
供应:
508件
发送询价
JTNJ-1050A双量程动态扭矩传感器,旋转扭矩传感器,扭力传感器
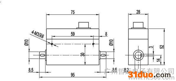
JTNJ-1050A双量程动态扭矩传感器,旋转扭矩传感器,扭力传感器力传感器◆ 特性与应用· 电阻应变为敏感元件和集成电路构成的一体产品,精度高,性能稳定可靠,大量程扭矩测量,安装使用方便。 · 双量程静态扭矩测量。一端为键法兰连接,一端为法兰盘连接。
JTNJ-1050A双量程动态扭矩传感器,旋转扭矩传感器,扭力传感器,旋转扭矩传感器,扭力传感器◆技术参数测量范围 :0~50~1000Nm输出灵敏度:1.0~2.0 mV/V综合精度:±0.1; ±0.3; ±0.5%F.S(线性+重复性+滞后)工作温度:-35~+80℃温度补偿范围:20~+60℃零点温度影响:±0.1%F.S/10 ℃激励电压:12 VDC响应频率:100μS绝缘电阻:2000 MΩ/100VDC输入电阻:700±10/350±10Ω输出电阻:700±5/350±5Ω零点输出:0~±1%F.S安全过载:120%F.S材质:合金钢电气连接方式:输入(电源+):1-红 输出信号+:2-黄 输出信号- :3-白 输入(电源-):4-绿JTNJ-1050A双量程动态扭矩传感器,旋转扭矩传感器,扭力传感器
联系方式
公司:广州哲远电子有限公司 (未注册)
姓名:雷唯波
电话:
02082006025
手机:
13632120099
地区:广东
地区:
广东省广州市萝岗区广州开发区青年路9号
邮件:
524413071@qq.com
QQ:
0
人关注
0
人点赞
举报
评分:
分
扫一扫访问当前网页
复制链接
二维码
短信
邮件
关闭
同类供应信息
德国汉姆HM90高速瞬时0.5级爆破200KHz高频动态压力变送器
836
工业型压力传感器高精度通用型压力传感器智能数字显示压力变送器
1043
压力表/压力传感器疲劳试验台 压力传感器脉冲试验设备
570
¥
10.00
CZY204轮辐式测力传感器,称重测力传感器工厂,测力称重传
745
¥
158.00
i高速公路配套CZY-15弯板称重传感器/弯板称重传感器
953
¥
12800.00
54592092英格索兰压力传感器
715
¥
946.00
取消
发送询价
分享好友
供应信息首页
频道列表