断路器是电力系统中重要的一次设备,在断路器合闸操作时,因某些原因,如合闸接点粘连或把手未及时松开等,导致合闸接点未返回而一直处于闭合状态。这时如遇到断路器合于永久性故障,保护动作,断路器跳闸,由于此时合闸脉冲仍未解除,断路器会再次合闸,如此反复跳合,我们称之为断路器的“跳跃”。在故障状态下,断路器的跳跃将会导致故障电流多次冲击,对电力系统造成严重损害,也可能使断路器遮断能力下降,产生严重损坏甚至爆炸,危及人身及设备安全。所以必须针对断路器的上述情况采取相应的防跳措施。
小狼所在的上海电网主要采用电气防跳,电气防跳一般是通过防跳继电器闭锁合闸回路来达到防跳目的。根据防跳继电器所处的位置不同,电气防跳回路一般分两种,一种是操作箱防跳,另一种是机构防跳。
操作箱防跳的典型原理图如图1所示,防跳继电器TBJ有两个线圈,即电压线圈和电流线圈。其中电流线圈为启动线圈,电压线圈为自保持线圈。SHJ为手合接点,STJ为手跳接点,ZHJ为重合闸接点,HBJ为合闸保持继电器,HWJ为合位继电器,TWJ为跳位继电器,LTW和LHW分别为跳位监视灯和合位监视灯,TJ为保护动作跳闸接点,HQ和TQ分别为断路器的合闸和分闸线圈,DL为断路器辅助触点。
当手动合闸或重合闸动作时,SHJ或ZHJ动作,其常开接点闭合。若合闸接点粘连(手动合闸后未放开合闸把手,导致SHJ不能返回或ZHJ接点粘连),这时系统出现故障,保护动作,TJ闭合,启动防跳继电器的电流线打开,切断合闸回路,同时TBJ1闭合,启动电压线圈实现自保持,从而使合闸回路可靠断开。直到SHJ与ZHJ接点返回不再粘连,TBJ的电压线圈失磁为止,TBJ继电器复归。使用
和TBJ3两个常闭接点,是为了增加合闸回路可靠性,防止其中一个接点损坏导致断路器不能合闸。防跳继电器除了防跳功能外,其另一个常开接点
还具有防止保护接点TJ在断开直流电源时拉弧的作用,并能实现跳闸脉冲自保持。当保护动作故障切除后,若保护接点TJ比断路器辅助触点DL1先返回,就会导致跳闸回路直接由TJ断弧而损坏TJ接点(微机保护装置出口继电器触点容量较小,不具备断开跳闸电流的能力,强行断弧有可能烧毁)。而在TJ接点上并联TBJ4后,可以使TJ通过TBJ4来断弧,而不致烧毁。同时,TBJ4还可以在分闸脉冲不够长时使分闸信号自保持,从而保证断路器可靠分闸。
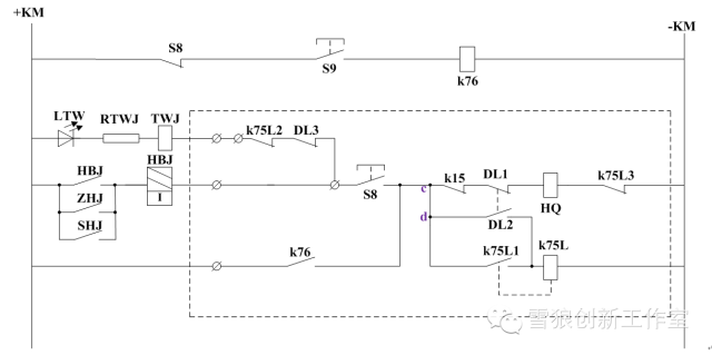
所示,k75L是开关机构防跳继电器,S8是近/远控把手,S9是合闸按钮,k76是就地合闸中间继电器,k15是马达电源监视继电器。
打到就地位置时,其常闭接点闭合,此时按下合闸按钮S9,k76继电器动作,其常开接点闭合,断路器合闸,其常开辅助触点DL2启动防跳继电器,并由k75L1实现自保持,同时k75L2、k75L3、k754打开,切断合闸回路。如果合闸接点粘连,则防跳继电器不会返回,合闸回路就可靠切断,即使此时保护动作跳闸,也不会再合闸。直到合闸接点解除,k75L返回,才可以再次合闸。
所示为两种防跳回路的比较。若要取消操作箱防跳,可将防跳继电器串联在合闸回路中的常闭接点TBJ2和TBJ3短接,也就是将图1中的a和b短接,这样即使TBJ启动,其常闭接点打开后也不会切断合闸回路。若要取消机构防跳,可将防跳继电器的启动回路断开,也就是将图2的c和d断开。表
闭合,由于合闸脉冲持续存在,因而防跳继电器有足够的时间使其接点动作,从而可靠切断合闸回路。现场人员可观察防跳继电器是否正确吸合,验证防跳回路的正确性。b、断路器初始为分闸位置,此时模拟持续的分闸脉冲,然后模拟合闸接点粘连,合闸脉冲常有,这时断路器动作行为应为“合闸
分闸”后不再合上。相较于传统试验方法,这种方法除了能验证防跳回路的正确性外,还可验证防跳启动回路和自保持回路的时间配合。表2为这两种试验方法的比较。表
某站主变扩建工程中,新增一台弹簧机构断路器,防跳回路采用机构箱防跳。在试验时,首先采用b方法。(注:断路器初始为分闸位置,此时模拟持续的分闸脉冲,然后模拟合闸接点粘连,合闸脉冲常有,这时断路器动作行为应为“合闸-分闸”后不再合上。)此时断路器出现“合闸→储能→分闸→合闸→储能→分闸…”的动作情况,断路器出现跳跃,而正确的动作应是“合闸→储能→分闸→保持分闸状态”,从而说明该断路器防跳回路存在问题。原因分析
为了查找该断路器防跳回路不动作的原因,首先对断路器机构进行检查,不存在异常情况,然后按照图纸对实际接线进行核查,均已正确接线,且无断线、脱落及短路等现象的发生。排除接线问题,采用第二种方法进行试验,防跳回路正确动作,因此初步定位为防跳继电器的辅助接点动作时间慢于开关分闸时间导致防跳失败。
型防跳继电器的接点动作时间进行检测为65ms,查看故障录波仪的该断路器变位记录得知,在开关合闸后50ms内跳开,如图3所示。试验开始时发分闸信号(状态①);在一个时间间隔后,常发合闸信号(状态②),合闸回路导通,开关合闸;经过63ms之后开关合位(状态③),此时DL2闭合,分闸回路导通开关分闸,且K75L开始得电;开关在50ms后完成分闸,DL2断开,而K75L的接点K75L3需要65ms才能断开。因此在50ms时,由于DL2断开使得K75L失电,防跳继电器得电状态中断,使K75L3仍然闭合,在弹簧储能完成后开关合闸回路仍然沟通,可以合闸,防跳失败。机构防跳回路整改
接点闭合期间防跳继电器就能实现自保持,如图4所示。如用该站部分断路器所用的B公司的B型继电器,其动作时间为15ms,能满足自保持的要求,可靠防止跳跃。
-合-分”三个过程,且其储能时刻是固定的,即在合闸后开始储能,完成“分-合-储能-分”过程,与本次试验方案正好一致。因此提出如下整改方案:在断路器的常开辅助触点DL2两端并联一个弹簧未储能接点S16,如图5所示。
整改后机构防跳原理图按照上述的试验方法,先使断路器处于分位,再模拟手合于故障,保护出口跳闸同时合闸接点粘连,有持续的合闸脉冲。这时合闸线圈
启动,断路器合闸,DL2和S16同时闭合(这时弹簧未储能,储能继电器不动作,S16闭合)。这时由于分闸脉冲的存在,50ms后DL2会返回打开,但由于未储能接点S16要经10s左右(储能时间)才返回,因而防跳继电器可靠动作,其常开接点k75L1闭合实现自保持,同时k75L3、k75L4和k75L5打开,可靠切断合闸回路。直至合闸脉冲解除,防跳继电器失电复归,可再次合闸。解除脉冲时,先解除合闸脉冲,再解除分闸脉冲,整个过程如图6所示。
方案三防跳成功过程上述的方案三仅适用于弹簧机构断路器,而对其他如液压、气动机构并不适用。方案一和方案二是通用的。本次采用的是方案三。
小狼通过对某断路器防跳失败原因的分析,发现其存在防跳启动回路和自保持回路时间不匹配的问题。考虑到弹簧未储能接点的返回时间大于防跳继电器动作时间,所以在断路器的常开辅助触点两端并联弹簧未储能接点。经过多次试验,证明该回路可有效防止断路器跳跃,这对保障电力系统的安全运行,防止设备损坏和事故扩大有重要的意义。

