二次回路主要是指对一次设备的工况进行监测、控制、调节、保护的二次设备,按照一定的要求连接在一起构成电路,称之为二次回路。描述二次回路的图纸称为二次回路图。
由于二次回路图的逻辑性很强,并且是按一定规律绘制,故看图时要抓住此规律才能比较容易看懂。那看二次回路图的规律是什么呢?
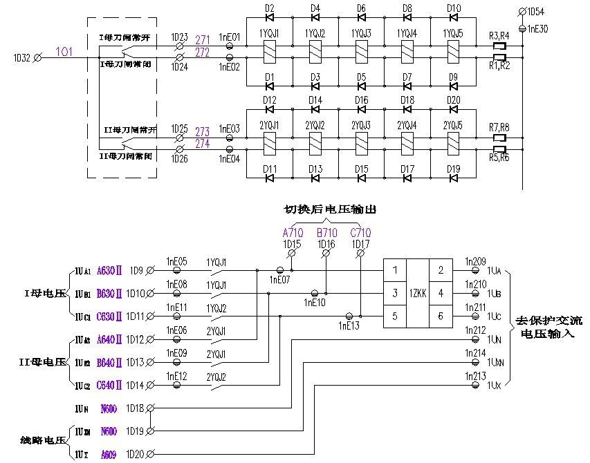
以上两张图纸是110kV馈线的交流回路图及PT电压切换回路图,那应该怎样看才能完整的看懂这两张图纸呢?
指先看二次接线图的交流回路,把交流回路看完弄懂后,根据交流回路的电气量以及在系统中发生故障时这些电气量的变化特点,向直流逻辑回路推断,再看直流回路。一般来说,交流回路比较简单,容易看懂。
并且二次设备作为一次设备保护监控装置,必须对一次设备电压电流进行采样,从而进行判断处理,所以看二次回路图,最好是先了解交流回路图,再进而看直流回路。
指交流回路要从电源入手;交流回路有交流电流和电压回路,先找出电源来自哪组电流互感器或哪组电压互感器,在两种互感器中传输的电流量或电压量起什么作用,与直流回路有何关系,这些电气量是由哪些继电器反应出来的,找出它们的符号和相应的触点回路,看它们用在什么回路,与什么回路有关。
看端子排图要配合展开图来看。展开图上凡屏内与屏外有联系的回路,均在端子排图上有一个回路标号。

